Одноэтажный дом 15*17 из газобетона на ушп | ~8 млн ₽, полезная площадь167 м2: три спальни, кабинет, гараж и кухня-гостиная 46 м2 + терраса

Недавно завершился II этап строительства одноэтажного дома из газобетона на утеплённой шведской плите в Агалатово, наш объект #андрейшанс_агалатово9 в Ленинградской области:

Находится дом приблизительно в этих краях:

Фундамент УШП строился весной 2022, в конце марта, о чём я уже рассказывал на страницах данного сайта, а так называемую "коробку под крышу" мы начали строить в мае и завершили работы 30 июня 2022.

В заголовке статьи указаны общие габариты дома 15*17 м, но если перемножить 15 на 17, получится 255 квадратных метров – намного больше полезной площади, прежде всего потому что дом сложной формы:

На крыше, кстати, мягкая черепица

Часть кровли, видимой сверху, расположена над террасой и над крыльцом, давайте посмотрим разные ракурсы воздушной съёмки и поймём, что дом немного меньше, чем может показаться первоначально:

Фактически по площади фундамента мы имеем такие цифры:

Терраса у дома на бетонных сваях, которые мы чаще всего применяем в наших проектах, каркас деревянный, из антисептированой доски:

Кровля опирается на клееную балку, которая нагрузку передаёт на металлический столб, находящийся над сваей:

Вид с другой стороны:

Аналогичная конструкция и на крыльце, с той только разницей, что столб опирается на бетонную плиту. Крыльцо будет облицовано плиткой иди клинкером, потому проще сделать бетонное основание:

Перед гаражом забетонирован пандус для заезда автомобиля:

Ширина проёма ворот составляет 3 метра

Внутри гараж сейчас выглядит так:

Ширина гаража 4 метра, длина 5,8 м

Если честно, все помещения в доме сейчас на одно лицо, что и не удивительно для текущей стадии готовности.

Вот, например, будущая кухня-гостиная:

Зона гостиной, поблизости от большого окна будет угловой диван

Панорамное окно на террасу по размеру чем-то напоминает гаражные ворота – 250x225 см, при желании можно было бы въехать на автомобиле)

А кухня будет с другой стороны:

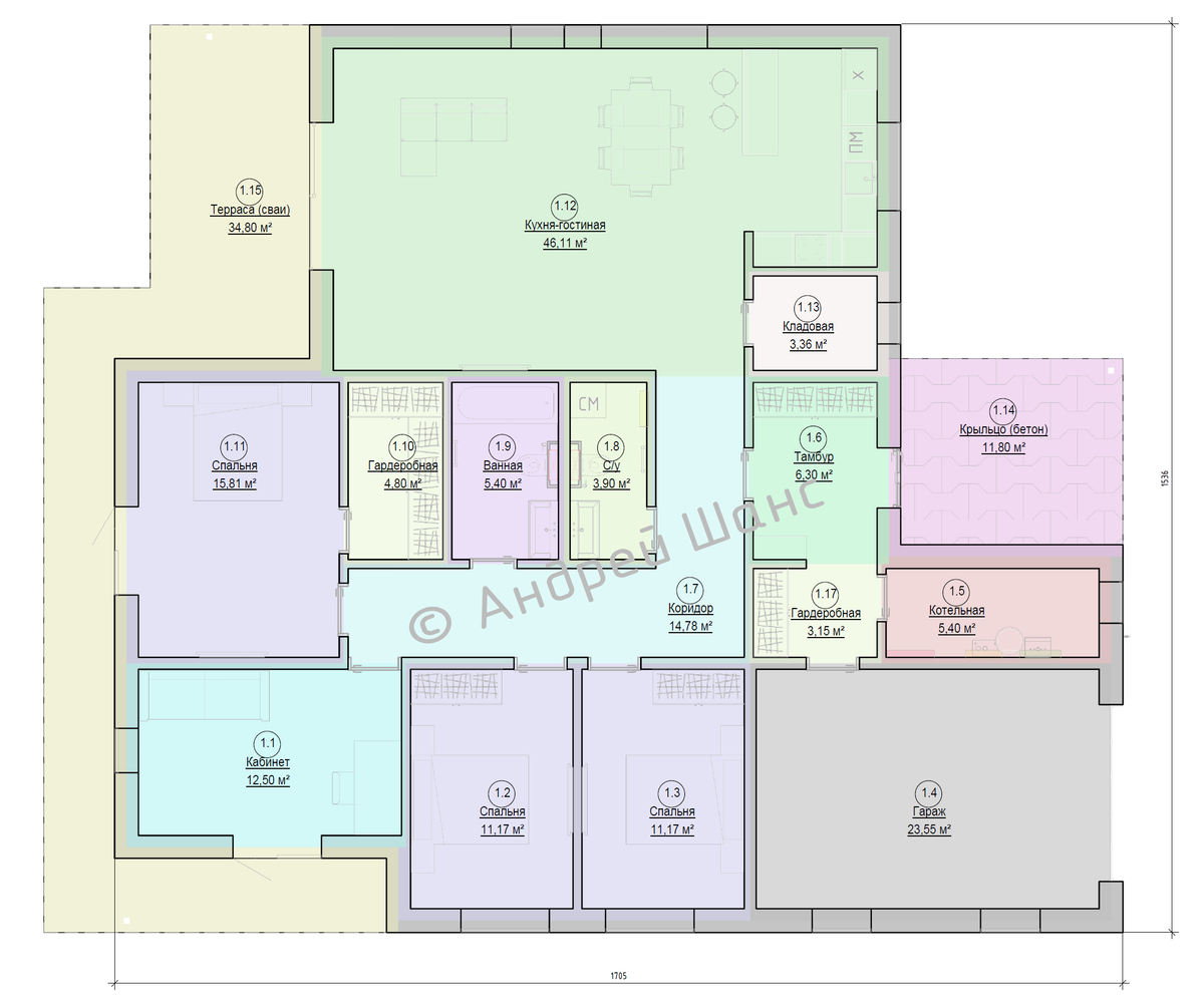
Планировка дома выглядит так:

Выше я уже указывал площадь по фундаменту 204,5 м2, значит, путём несложных подсчётов, можно выяснить, что площадь какой-нибудь однокомнатной квартиры (37 квадратов) растворилась под толстыми стенами из газобетона.

Внешние стены дома сложены из блоков D400 400 мм, внутренние несущие из D500 200 мм, ну а перегородки между комнатами имеют толщину 150 мм – нюанс, который не учитывает предварительное "проектирование" на листочке, когда стены рисуются в виде тонких линий.

Смотреть в доме как будто больше не на что, везде голые стены:

Потолки пока что не утеплены и не обшиты, всё это делается на следующем этапе стройки:

Продолжение, как говорится, следует, ну а пока что газобетон будет сохнуть, коробка как следует проветрится и работы можно будет продолжить.

Не знаю, с нами ли будет следующий этап стройки, в графике данного объекта пока что не наблюдается.

Напоследок дам несколько выдержек из чертежей:

Примерная стоимость такого же дома

Также дам приблизительную информацию по стоимости аналогичного дома на сегодняшний день, если строить его с нашими бригадами.

Итак, примерная стоимость аналогичного одноэтажного газобетонного дома размерами 15,36 м * 17,05 м, на утепленной шведской плите (далее УШП) с террасой составляет:

1. Стоимость УШП (с очистными сооружениями) площадью 204,5 м2, терраса на бетонных сваях 34,8 м2, крыльцо на монолитной плите площадью 11,8 м2:
- материалы ~1.550.000 рублей;
- работы 1.000.000 рублей.

2.

Обратите внимание: Они купили старый гараж и превратили его в настоящий современный дворец.

Коробка + кровля площадью 204,5 м2, c навесами над террасой и крыльцом:
- материалы ~3.800.000 рублей;
- работы 1.750.000 рублей.

3. Отделка фасада, внутренняя черновая отделка (предчистовая), пусконаладка котельной, отделка террасы и крыльца:
- материалы ~5.150.000 рублей;
- работы 2.550.000 рублей.

ИТОГО: ~15.800.000 рублей.

Обращаю ваше внимание, что расчёт дан для III этапов стройки, из которых на момент публикации выполнены только первые два, т.е. приблизительная стоимость точно такого же дома в такой же степени готовности составит примерно 8 млн ₽.

Если вы читаете эту заметку по прошествии некоторого срока с момента её публикации (июль 2022) и данный проект вас заинтересовал, актуальную стоимость лучше запросить т.к. она наверняка изменится со временем.

#строительство #ремонт #газобетон #стройка #загородный дом #строительство дома #дом из газобетона #одноэтажный дом

Больше интересных статей здесь: Стройка.

Источник статьи: Одноэтажный дом 15*17 из газобетона на ушп | ~8 млн ₽, полезная площадь167 м2: три спальни, кабинет, гараж и кухня-гостиная 46 м2 + терраса.

Отзыв «Одноэтажный дом 15*17 из газобетона на ушп | ~8 млн ₽, полезная площадь167 м2: три спальни, кабинет, гараж и кухня-гостиная 46 м2 + терраса»

?
17 - 9 = ?